監視カメラ用レンズ
-
M118VP413IRCS
-
2022.09
2050.01
イメージャーサイズ 焦点距離 絞り範囲 アイリス -
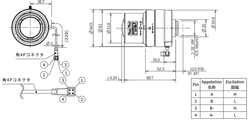
| モデル名 | M118VP413IRCS | ||
|---|---|---|---|
| イメージャーサイズ | 1/1.8" | ||
| マウント | CS | ||
| 焦点距離 | 4 ~ 13mm | ||
| 絞り範囲 | F/1.5 ~ Close | ||
| 画角 (水平x垂直) |
1/1.8" | Wide | 105.4° x 77.6° |
| Tele | 33° x 24.8° | ||
| 1/2" | Wide | 91.7° x 67.9° | |
| Tele | 29° x 21.8° | ||
| 1/3" | Wide | 67.9° x 50.6° | |
| Tele | 21.8° x 16.3° | ||
| フォーカス範囲 | 0.3m ~ ∞ | ||
| 操作方法 | フォーカス | 手動ロック付き | |
| ズーム | 手動ロック付き | ||
| アイリス | P-IRIS(ステッピングモーターによる開閉制御) | ||
| 励磁 | バイポーラ駆動方式 | ||
| バックフォーカス(in air) | 15.235mm( in air ) | ||
| 対応波長 | 可視光域 ~ 近赤外域 | ||
| 作動電圧 | 3V~5V | ||
| 重量 | 172g 土 5g | ||
| 動作温度範囲 | -20℃ ~ +60℃ | ||
※ 仕様はお断りなく変更する場合があります。